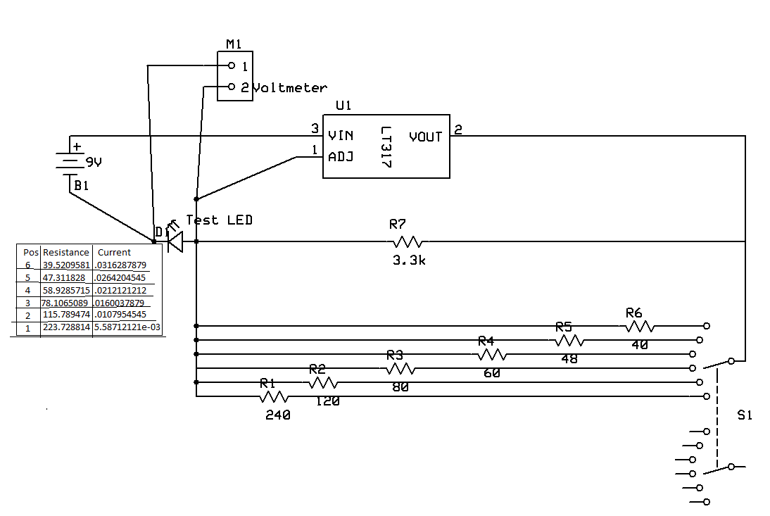
Here’s a simple LED tester that allows you to test LEDs, see how bright they are and let’s you see the forward voltage drop used to figure out the current limiting resistor. We use a 100mA LM317 current regulator. By doing this you can see how the LED reacts to different currents. In this circuit it uses a 6 position switch to choose the current(between 5mA to 30mA). D1 is the LED under test, M1 is a voltmeter measuring the forward voltage across it. R1-R6 are the resistors used to choose the current. No power switch is needed even if powered by a 9V battery, when the LED is hooked up no current flows. R7 shunts the regulator when the switch becomes open during changing current so that the current does not go sky high. It might be cheaper to buy 21 resistors and use them in parallel as need.

The output current is defined by the following equation using Ohm’s Law, where I is current and R is resistance:
$$I=\frac{1.25}{R}$$

Circuit Simulator